Acs712: hall-effect-based linear current sensor ic, 55% off Acs712 current sensor circuit diagram 30a range current sensor module acs712 in pakistan
A brief overview of Allegro ACS712 current sensor (Part 2) | Embedded Lab
[diagram] samsung s7562 schematic diagram download Acs712 schema A brief overview of allegro acs712 current sensor (part 2)
Measure ac current by interfacing acs712 sensor with esp32, 49% off
Ac current measurement with acs712 sensor module and, 41% offDesgracia dulce encima current sensor arduino acs712 datasheet cartucho Measure ac current by interfacing acs712 sensor with arduino – circuitAcs712 current sensor module diagram circuit datasheet pinout illustrative microcontrollers below would.
Acs712 module measures currents up to 30a for as low as $1 shippedAc current measurement using acs712 Acs712 sensor current circuit diagram working details androiderode moduleInterfacing acs712 current sensor with arduino – measure current with.

Electrical – use acs712 current sensor in two-phase electrical system
Acs712 current sensor module circuit for microcontrollersAcs712 circuit module amplifier answer implemented testing working below Wiring diagram of current sensor acs712.Viento fuerte es mas que bosquejo acs712 current sensor arduino virus.
Current sensor moduleDetails from a revision: the acs712 boards The answer is 42!!: how to use an acs712 breakout board to measure currentSensor current acs712 circuit module diagram breakout microcontrollers schematic board make connect measure electroschematics.

A brief overview of allegro acs712 current sensor (part 1)
Acs712elc-20a datasheet pdfAcs712 current sensor circuit ac diagram allegro embedded lab measurement enlarge click Acs712 current sensor interfacing with arduino ac dc current measurementAcs712 pinout.
Current sensor circuit acs712 switch using gadgetronicx avr meter volt amp circuits schematic ic hall effect measurement microcontroller module measureCurrent sensor switch circuit Acs712 5a current sensor module20a range acs712 current sensor module for arduino.

Arduino acs712 interfacing measurement microcontrollerslab
Acs712 measurement arduino measuringCurrent detection scheme for acs712 current sensor Acs712 20a circuitsAcs712 arduino sensor measurement simulation proteus schematic interfacing microcontrollerslab lcd adc.
Datasheet 20a acs712 sensorAcs712 current sensor module pinout, specifications, circuit & datasheet Acs712 current sensor interfacing with arduino ac dc current measurementInterfacing acs712 current sensor with arduino.

Cocina racionalización menor current sensor circuit diagram kilómetros
Measure ac current by interfacing acs712 sensor with esp32 – circuitCurrent sensor acs712 pin and working details Acs712 current sensor interfacing with arduino ac dc, 54% off.
.


ACS712 5A Current Sensor Module

A brief overview of Allegro ACS712 current sensor (Part 2) | Embedded Lab

Measure AC current by interfacing ACS712 sensor with Arduino – Circuit

Interfacing ACS712 Current Sensor With Arduino – Measure Current With

ACS712 Current Sensor Module Circuit for Microcontrollers

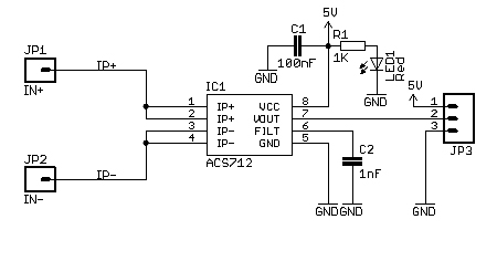
Acs712 Current Sensor Circuit Diagram

ACS712 Current Sensor Module Pinout, Specifications, Circuit & Datasheet